Penulis Topik: SSB EXCITER DENGAN CERAMIC FILTER 455KC  (Dibaca 29944 kali)

0 Anggota dan 1 Pengunjung sedang melihat topik ini.

Offline andygaz21

  • Hero Member
  • ********
  • Tulisan: 518
  • Adventure is a good teacher
    • trutorial elektro
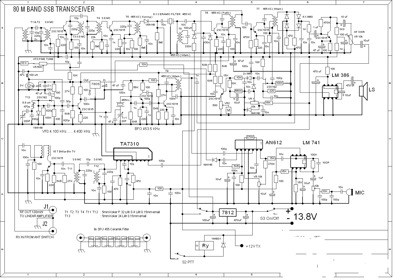
SSB EXCITER DENGAN CERAMIC FILTER 455KC
« pada: Desember 09, 2009, 12:47:34 PM »

THE MARCONIST

  • Pengunjung
Re: SSB EXCITER DENGAN CERAMIC FILTER 455KC
« Jawab #1 pada: Desember 09, 2009, 11:10:40 PM »
Thanks.....
Mungkin ada yang kurang (bagian yang terhapus)....


Offline isurG_

  • Isurganteng
  • Administrator
  • Hero Member
  • ********
  • Tulisan: 2683
  • Keseharianku Melawan Waktu
    • Keseharianku Melawan Waktu
Re: SSB EXCITER DENGAN CERAMIC FILTER 455KC
« Jawab #2 pada: Desember 10, 2009, 04:47:46 AM »
iye tu bozz .. wajib di tampili ...

fb : isurg
ig : isurg_ , isurganteng
yb : isurcocc
tw : isurg
web : tukangsapu.net, aditama.net, elektronika.web.id

rubel

  • Pengunjung
Re: SSB EXCITER DENGAN CERAMIC FILTER 455KC
« Jawab #3 pada: Januari 04, 2010, 11:22:08 PM »
iye tu bozz .. wajib di tampili ...
mantaf, skemanya...ngerakit sendiri gak mungkin....
kira2 brpa yah harga yg di atas?

Offline isurG_

  • Isurganteng
  • Administrator
  • Hero Member
  • ********
  • Tulisan: 2683
  • Keseharianku Melawan Waktu
    • Keseharianku Melawan Waktu
Re: SSB EXCITER DENGAN CERAMIC FILTER 455KC
« Jawab #4 pada: Januari 04, 2010, 11:45:47 PM »
ntah .....  :D

fb : isurg
ig : isurg_ , isurganteng
yb : isurcocc
tw : isurg
web : tukangsapu.net, aditama.net, elektronika.web.id

THE MARCONIST

  • Pengunjung
Re: SSB EXCITER DENGAN CERAMIC FILTER 455KC
« Jawab #5 pada: Januari 05, 2010, 12:07:54 AM »

mantaf, skemanya...ngerakit sendiri gak mungkin....
kira2 brpa yah harga yg di atas?

Kalau yang begini sebenarnya tidak semahal PLL nya bang Isur yang pakai Mikron itu, tapi ya sekali lagi tapi..., untuk ssb exciter yang paling sulit adalah menata Balance Modulatornya dan sekali lagi yang rekor adalah di IF nya yaitu pada  Crystal filter. kalau beli baru mahal banget dan bahkan mungkin ndak ada yang jual. Ya bisanya kanibal SSB Vintage..,..... itu mujur kalau dapat pasangannya untuk USB dan LSB nya.....
 Makanya untuk skema diatas pakai keramik filter 455 Kc, selektivitasnya tentu tidaklah seperti Kristal apalagi cuma di 455, entahlah kalo di 9 mhz.
Filter keramik/mekanik 455 banyak di jual dan cukup murah, tidak seperti kristal .....

..
« Edit Terakhir: Januari 05, 2010, 12:10:33 AM oleh MARCONIST »

Offline Nanang Bondowoso

  • Newbie
  • *
  • Tulisan: 28
    • PENGGEMAR PEMANCAR AM 80M BAND HOMEBREW
Re: SSB EXCITER DENGAN CERAMIC FILTER 455KC
« Jawab #6 pada: Februari 22, 2010, 11:58:53 AM »
Betul memang, pengerjaan yang paling sulit pada bagian Balance Modulator, jika input audio terlalu besar, suaranya di reciever jadi meliuk-liuk, juga kadang bergetar, belum lagi ditambah VFO yang berlari-larian. Bagi saya yang paling utama adalah bagian VFO, syukur-syukur jika menggunakan PLL atau FLL, nah tinggal setting penguat mic aja.
Jika keramik filter yang 455 Kc/s itu disamping berpengaruh pada transimit juga pada recieve. Jika diseri 6 buah keramik filter memang lebih selektif tapi menjadi lebih "gupek" (pengalaman para hombrewer gitu)

Offline gce.asep

  • Jr. Member
  • **
  • Tulisan: 65
Re: SSB EXCITER DENGAN CERAMIC FILTER 455KC
« Jawab #7 pada: Maret 17, 2010, 02:43:30 PM »

saya pernah bikin yang mirip seperti ini , yang jadi masalah besar adalah di filternya. kalo menggunakan ladder filter yang seperti di gambar selektifitasnya kurang. karena pemancar ssb bwnya ada pada 2,5khz . kalo filternya punya bw yang kelewat lebar (anggap saja bw 5 khz) efek pada saat menerima adalah suara di frekwensi atas dan suara di frekwensi bawah dari center frekwensinya masih bisa terdengar,sehingga mengganggu suara di center frekwensi.
salam dari sukabumi.

Offline dian

  • Full Member
  • ****
  • Tulisan: 152
Re: SSB EXCITER DENGAN CERAMIC FILTER 455KC
« Jawab #8 pada: Juni 25, 2010, 08:14:26 PM »
keramic filter bisa di ganti dengan crystal biasa (tidak mahal), di susun dalam rangkaian ladder filter bersama sekumpulan kapasitor, dengan memilih crystal ladder filter diluar jangkah frekwensi mungkin akan lebih baik.

untuk balance mixer kalau mau gampang membuatnya bisa pakai IC SA602/SA612, memang agak sedikit mahal dan harus import.

Offline Kang Paimo

  • Sr. Member
  • ******
  • Tulisan: 298
Re: SSB EXCITER DENGAN CERAMIC FILTER 455KC
« Jawab #9 pada: Agustus 20, 2010, 08:28:06 AM »
Salam kenal , saya anggota baru disini......
Kalau saya lihat , skema ini bagus sekali ada AGC , S meter . Untuk balanced modulatornya menggunakan IC AN612 yang biasanya dipakai pada perangkat CB , harusnya tidak ada masalah. Agar didapatkan kualitas suara yang bagus keramik filter SFU455 harus dipilih yang frekuensinya sama , itu pengalaman dari rekan2 yang menggunakan SFU455 sebagai filter SSB. Sebagai alternatip bisa menggunakan 455BL warna merah , cukup 4 buah sudah bagus.

Offline penjol_triple_j

  • Newbie
  • *
  • Tulisan: 3
Re: SSB EXCITER DENGAN CERAMIC FILTER 455KC
« Jawab #10 pada: September 04, 2010, 10:31:59 AM »
Hobi radio komunikasi adalah hobi yang unik, karena 'PROSES'-nya yang mengasyikan. Dari proses perijinan (menjadi radio amatir), pengadaan perangkat (membeli atau membuat), sampai prosedur komunikasi-nya.
Om Lutfi (YC3LSB) dalam mendesign 455Khz SSB Exciter di atas, saya yakin beliau membutuhkan waktu dan proses yang panjang untuk menjadi skema seperti sekarang ini. Di dalam mendesign sebuah perangkat setiap homebrewer pasti akan tergantung dari lingkungannya (ketersediaan komponen di kotanya) dan kemampuan teknis (skill dan knowledge), tetapi goal-nya sama, yaitu membuat PERANGKAT YANG BAIK.
Seorang Farhan dengan BITX bahkan sangat fenomenal dengan kesederhanaan skemanya. Pernah di wawancarai oleh CNN. Skemanya, bahkan menginspirasi banyak amateur radio di dunia untuk membuat SSB Exciter yang APIK dan SEDERHANA. Seorang profesor dan pakar radio amatir dunia dari Inggris, Wes Hayward (W7ZOI) bahkan mengacungi jempol untuk design-nya.
Dan farhan pula yang menginspirasi saya untuk membuat Blekokqrp SSB transceiver.
Jika anda ingin menjadi seorang homebrewer, rakitlah sesuatu perangkat yang kecil-kecil dulu, dan suatu saat anda akan merakit sesuatu yang besar tanpa anda menyadarinya.
Pilihlah skema yang cocok dengan kemampuan anda, pahami konsep-nya, pahami komponen2-nya, dan mulailah merakit dengan telaten dan teliti. Jangan merakit skema2 yang diluar kemampuan anda (kecuali ada teman/tutor di belakang anda), karena hasilnya cuma FRUSTASI.
Skema-nya Om Lutfi, lebih maju dibandingkan BITX, komponennya banyak tersedia di kota2 kecil, jika anda ingin merakit, modalnya cuma NIAT, TELATEN, TELITI, SABAR, SABAR, dan SABAR. Kualitas hasilnya? itu urusan nanti !!!!!!!
Salam, Indra

Offline Kang Paimo

  • Sr. Member
  • ******
  • Tulisan: 298
Re: SSB EXCITER DENGAN CERAMIC FILTER 455KC
« Jawab #11 pada: September 04, 2010, 11:06:25 AM »
Selamat datang kang Penjol .....
Ya betul sekali , untuk merakit sebaiknya mempelajari lebih dulu cara kerja skemanya karena akan berguna dalam mensetting/tuning . Lebih2 untuk trouble shootingnya , sebab biasanya setelah selesai dirakit tidak langsung bunyi........

Offline penjol_triple_j

  • Newbie
  • *
  • Tulisan: 3
Re: SSB EXCITER DENGAN CERAMIC FILTER 455KC
« Jawab #12 pada: September 05, 2010, 05:36:19 AM »
He he .... ikutan komentar, karena ada kang Paimo di atasnya? SSB phase shift method-nya sudah jalan kang?

Offline Kang Paimo

  • Sr. Member
  • ******
  • Tulisan: 298
Re: SSB EXCITER DENGAN CERAMIC FILTER 455KC
« Jawab #13 pada: September 05, 2010, 07:34:18 AM »
TX sudah mau kerja , walaupun levelnya masih kecil .
RX nya masih belum oke , sideband suppression belum bagus , saya sudah coba rangkaian polyphase , R-C bridge (dome network) , mau coba yg model all pass filter buat penggeser phase audionya.

Offline RADIO-SEMPRONG

  • Full Member
  • ****
  • Tulisan: 129
Re: SSB EXCITER DENGAN CERAMIC FILTER 455KC
« Jawab #14 pada: September 05, 2010, 09:51:38 AM »
wahh.. Masternya sdh pada mlumpuk di sini smua.. Ditunggu sharingnya.. Kang paimo, pak adiis, kang penjol blekok..