Penulis Topik: Skema lampu LED berdenyut??????  (Dibaca 19529 kali)

0 Anggota dan 1 Pengunjung sedang melihat topik ini.

Offline alshinigami

  • Newbie
  • *
  • Tulisan: 9
  • lightning prevenant
Skema lampu LED berdenyut??????
« pada: April 21, 2011, 10:32:46 AM »
 cari1 cari1 cari1
misi agan2 master2 elektro,
ad yang tau skema n bahannya apa aja y?
cara buat lampu LED berdenyut,
ato lebih tepatna kayak orang bernafas,
jadi meredup n menyalana pelan2 n bertahap,
terima kasih buat perhatianna y gan,
 dada1 dada1 dada1 dada1
Never Give Up!!!!!!!

Offline alshinigami

  • Newbie
  • *
  • Tulisan: 9
  • lightning prevenant
Re:Skema lampu LED berdenyut??????
« Jawab #1 pada: April 25, 2011, 08:05:19 AM »
 :o :o :o :o hantu2 hantu2 hantu2 hantu2
kugh sepi y?
Never Give Up!!!!!!!

Offline aljero

  • Sr. Member
  • ******
  • Tulisan: 270
  • mangan ra mangan sing penting sugih
Re:Skema lampu LED berdenyut??????
« Jawab #2 pada: April 25, 2011, 08:35:29 AM »
 cari1 tunggu dulu mas, yang jagoan kaya gini biasa nya mas purwanto, kelihatanya dia sedang sibuk  ide1
Menekung Narawang Ngalampah Paripolah

Offline ridho

  • Hero Member
  • ********
  • Tulisan: 1102
  • http://ridho26.blogspot.com/
    • Elektronika Plus
Re:Skema lampu LED berdenyut??????
« Jawab #3 pada: April 25, 2011, 12:41:54 PM »
coba tak bantu momod
 
pake yg simpel aja




selamat mencoba 
good luck   dada2

Offline aljero

  • Sr. Member
  • ******
  • Tulisan: 270
  • mangan ra mangan sing penting sugih
Re:Skema lampu LED berdenyut??????
« Jawab #4 pada: April 25, 2011, 03:37:13 PM »
coba tak bantu momod
 
pake yg simpel aja




selamat mencoba 
good luck   dada2

nah ... ini dia salah satunya.. ini biasa untuk ngebrik ya mas ridho  dada2
Menekung Narawang Ngalampah Paripolah

Offline alshinigami

  • Newbie
  • *
  • Tulisan: 9
  • lightning prevenant
Re:Skema lampu LED berdenyut??????
« Jawab #5 pada: April 26, 2011, 04:07:18 PM »
ngebrik thu ap mas?
bru denger, cari1
btw thankz y mas2 smua,
Never Give Up!!!!!!!

Offline alshinigami

  • Newbie
  • *
  • Tulisan: 9
  • lightning prevenant
Re:Skema lampu LED berdenyut??????
« Jawab #6 pada: April 26, 2011, 04:11:53 PM »
coba tak bantu momod
 
pake yg simpel aja




selamat mencoba 
good luck   dada2



mas ridho,
itu ic nya harus di isi bahasa pemrograman g?
kira2 kit nya ada yang jual g?
 top1 piss1 mohon2
makasih buat wangsit nya mas,
Never Give Up!!!!!!!

Offline ndroe

  • Hero Member
  • ********
  • Tulisan: 1137
  • beginer banget
Re:Skema lampu LED berdenyut??????
« Jawab #7 pada: April 26, 2011, 04:14:43 PM »
ic 555 tuh banyak yang jual 8 kaki ..... ndak perlu di program mas.... drop1
88,1 ..FM Ra' Ajeg

Offline alshinigami

  • Newbie
  • *
  • Tulisan: 9
  • lightning prevenant
Re:Skema lampu LED berdenyut??????
« Jawab #8 pada: April 26, 2011, 04:21:47 PM »
ic 555 tuh banyak yang jual 8 kaki ..... ndak perlu di program mas.... drop1

 :'( :'( :'( :'( malu2 malu2 malu2 malu2
maklum mas nubie,
hehehehe,
kira2 ad yg jual kit nya g y mas?
Never Give Up!!!!!!!

Offline ndroe

  • Hero Member
  • ********
  • Tulisan: 1137
  • beginer banget
Re:Skema lampu LED berdenyut??????
« Jawab #9 pada: April 26, 2011, 04:25:53 PM »
kayaknya harus buat sendiri mas...... kalkulasi1
88,1 ..FM Ra' Ajeg

Offline aljero

  • Sr. Member
  • ******
  • Tulisan: 270
  • mangan ra mangan sing penting sugih
Re:Skema lampu LED berdenyut??????
« Jawab #10 pada: April 26, 2011, 04:45:59 PM »
pake pcb  bolong bolong juga bisa mas
Menekung Narawang Ngalampah Paripolah

Offline aan

  • Sr. Member
  • ******
  • Tulisan: 323
Re:Skema lampu LED berdenyut??????
« Jawab #11 pada: April 26, 2011, 07:34:51 PM »
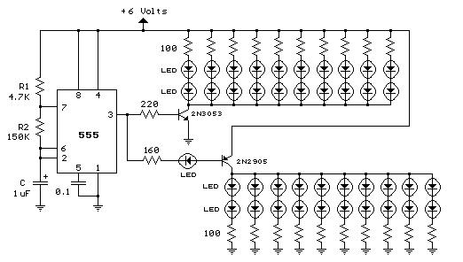
nyalanya gimana ya ini??

Offline ridho

  • Hero Member
  • ********
  • Tulisan: 1102
  • http://ridho26.blogspot.com/
    • Elektronika Plus
Re:Skema lampu LED berdenyut??????
« Jawab #12 pada: April 27, 2011, 10:39:02 AM »
itu tidak usah pake program mas
simpel
nyalanya kedip ajek



Offline alshinigami

  • Newbie
  • *
  • Tulisan: 9
  • lightning prevenant
Re:Skema lampu LED berdenyut??????
« Jawab #13 pada: Mei 02, 2011, 08:12:03 AM »
itu tidak usah pake program mas
simpel
nyalanya kedip ajek

mas ridho,
drop1,
kugh cuma nyala?
g kedip sama sekali mas,
buat gambar yg pertama,
udah saya coba 2x mas,
Never Give Up!!!!!!!

Offline dzafoe

  • Full Member
  • ****
  • Tulisan: 136
    • http://dzafoe-elektronik.blogspot.com/
Re:Skema lampu LED berdenyut??????
« Jawab #14 pada: Mei 02, 2011, 09:00:37 AM »
pada gambar yang pertama sudah benar cuma nilai komponen saja yang terlalu kecil sehingga terkesan nyala saja...coba ganti r10k yang tengah (pd pin 7 dan pin 6) dengan variable reistor 100k dan C 0,001uF dengan 100uF...variable reistor berfungsi sebagai pengatur cepat atau lambatnya nyala led...trims