KOMUNITAS HOBBIYST ELEKTRONIKA - KHE
Selamat datang,
Pengunjung
. Silahkan
masuk
atau
mendaftar
.
1 Jam
1 Hari
1 Minggu
1 Bulan
Selamanya
Masuk dengan nama pengguna, kata sandi dan lama sesi
Berita:
Home
Bantuan
Masuk
Registrasi
KOMUNITAS HOBBIYST ELEKTRONIKA - KHE
»
Diskusi Elektronika
»
Kategori Radio
»
Pemancar (Transmitter)
»
Enkoder Stereo (MPX)
»
DIGILOG
« sebelumnya
berikutnya »
Cetak
Halaman: [
1
]
Turun
Penulis
Topik: DIGILOG (Dibaca 12660 kali)
0 Anggota dan 1 Pengunjung sedang melihat topik ini.
abdulgani
Moderator
Hero Member
Tulisan: 982
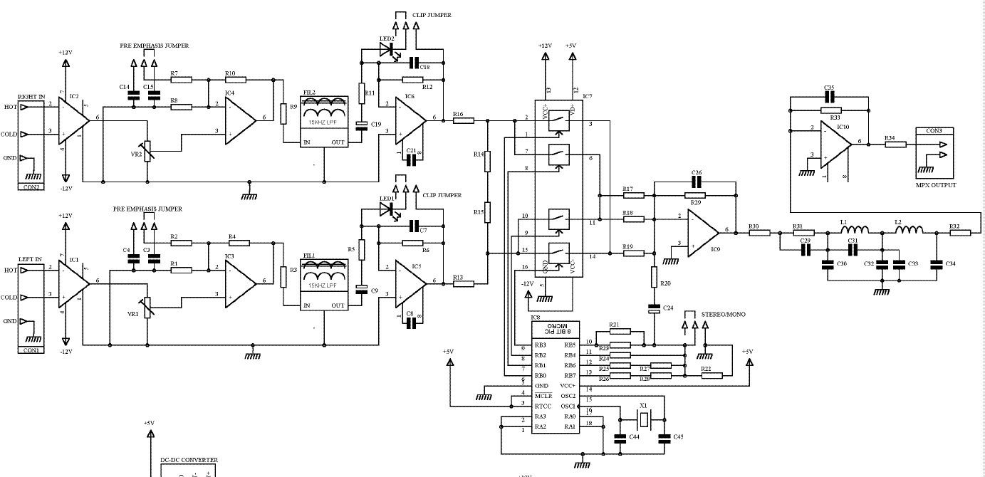
DIGILOG
«
pada:
Desember 28, 2012, 04:05:49 PM »
DIGILOG
Tercatat
abdulgani
Moderator
Hero Member
Tulisan: 982
Re:DIGILOG
«
Jawab #1 pada:
Desember 28, 2012, 04:40:34 PM »
PHASA PILOT
SATU CANAL DGN PILOT
XTALK 50Hz 2mV/1000mV
XTALK 500Hz 0,2mV/1000mV
Tercatat
abdulgani
Moderator
Hero Member
Tulisan: 982
Re:DIGILOG
«
Jawab #2 pada:
Desember 29, 2012, 04:26:16 PM »
STEREO SPARATION 50Hz
20 log 1000/2
20 log 500
20 * 2,6989
53,97 dB
STEREO SPARATION 500Hz
20 log 1000/0,2
20 log 5000
20 * 3,6989
73,97 dB
Bagus sekali ayo bikin...GA KAN KECEWA...
Tercatat
Busan
Sr. Member
Tulisan: 497
Re:DIGILOG
«
Jawab #3 pada:
Januari 02, 2013, 10:21:48 PM »
mending buat yang DAC0832 pak.
Tercatat
RBS FM on
isurG_
Isurganteng
Administrator
Hero Member
Tulisan: 2683
Keseharianku Melawan Waktu
Re:DIGILOG
«
Jawab #4 pada:
Januari 04, 2013, 03:05:48 PM »
masi setia nungguin 256
Tercatat
fb : isurg
ig : isurg_ , isurganteng
yb : isurcocc
tw : isurg
web : tukangsapu.net, aditama.net, elektronika.web.id
abdulgani
Moderator
Hero Member
Tulisan: 982
Re:DIGILOG
«
Jawab #5 pada:
Januari 04, 2013, 07:41:05 PM »
ya mau dibandingkan sama DACODER
Tercatat
Niel
Sr. Member
Tulisan: 413
Re:DIGILOG
«
Jawab #6 pada:
Januari 06, 2013, 11:10:45 AM »
Pe
Kutip dari: isurganteng pada Januari 04, 2013, 03:05:48 PM
masi setia nungguin 256
Penantian yg cukup lama.. saya juga diam-diam nungguin yg itu
Tercatat
abdulgani
Moderator
Hero Member
Tulisan: 982
Re:DIGILOG
«
Jawab #7 pada:
Januari 09, 2013, 07:16:44 PM »
DIGILOG 224X OVERSAMPLING
«
Edit Terakhir: Januari 09, 2013, 07:22:01 PM oleh abdulgani
»
Tercatat
abdulgani
Moderator
Hero Member
Tulisan: 982
Re:DIGILOG
«
Jawab #8 pada:
Januari 09, 2013, 07:33:56 PM »
SUDAH MENDEKATI 255X
Tercatat
abdulgani
Moderator
Hero Member
Tulisan: 982
Re:DIGILOG
«
Jawab #9 pada:
Januari 10, 2013, 10:12:48 AM »
Tercatat
Cetak
Halaman: [
1
]
Naik
« sebelumnya
berikutnya »
KOMUNITAS HOBBIYST ELEKTRONIKA - KHE
»
Diskusi Elektronika
»
Kategori Radio
»
Pemancar (Transmitter)
»
Enkoder Stereo (MPX)
»
DIGILOG